欢迎光临袁州区慈化镇太树叶家具厂!服务热线:+86-135 3809 4863
新闻资讯行业资讯
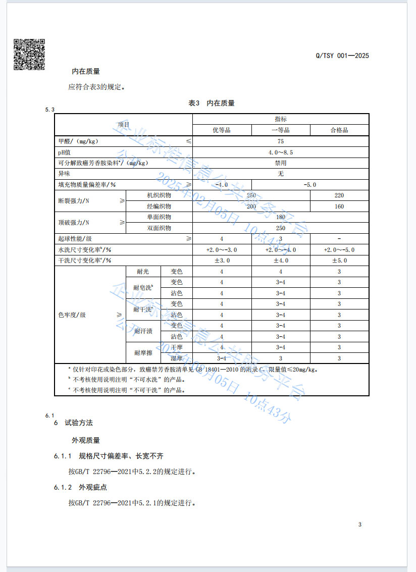
企业标准是在企业范围内需要协调、统一的技术要求、管理要求和工作要求所制定的文件,是企业组织生产、经营活动的依据。国家鼓励企业自行制定严于国家标准或者行业标准的企业标准。
袁州区慈化镇太树叶家具厂企业标准
上一篇:热烈庆祝我厂(袁州区慈化镇太树叶家具厂)成功申请取得排污许可证
下一篇:实木家具的木材使用居然如此讲究!
Ccopyright ©2018-2025 袁州区慈化镇太树叶家具厂 | 备案号:赣ICP备2024052427号-1 | 技术支持:新鸿扬